Author Topic: Hoping to bring my distiller back to spec  (Read 1620 times)

chalkie

  • club
  • Junior Member
  • *
  • Posts: 27
Hoping to bring my distiller back to spec
« Reply #15 on: June 22, 2009, 02:08:36 AM »
Its resistor colour coding. From 0-9 it goes Black,Brown,Red,Orange,Yellow,Green,Blue,Violet,Grey,White. hold it the right way around, and you can read its resistivity.
There's more to it than just that, 'cos you've got multiplier, tolerance and quality, but anyway that's the topic here.

chalkie

  • club
  • Junior Member
  • *
  • Posts: 27
Hoping to bring my distiller back to spec
« Reply #16 on: June 22, 2009, 09:19:39 AM »
Ever get the feeling you wished you'd stayed on subject?
 
Terry mate,
Your head is in a rainbow.
 
Bill,
What planet are you on?
 
;-)

chalkie

  • club
  • Junior Member
  • *
  • Posts: 27
Hoping to bring my distiller back to spec
« Reply #17 on: June 23, 2009, 03:45:54 AM »
OK, I moved the violet wire to the centre lug. Blimey, what a difference. I suppose that the way it was the Q switch was permanently in the off position. With the switch on, I get exactly the wah-wah sound you described when I rotate the filter pot, and in any case I can really hear the difference in the shape of the note. There seems to be a fairly small section of the rotary control which makes a very large change to the quality of the note though. I wonder if there is a way to smooth that out? Anyhow, now I can get that great sound I've been after   The one that sounds like you're playing down a huge drainpipe, a special acoustic drainpipe built for the purpose. Its not a dry pipe though, it has a lovely wet quality. The switch wasn't faulty either; it works just fine.
 
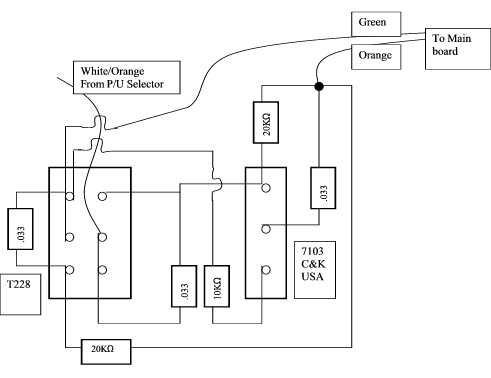
While I had the back off, I dismounted the bass & treble boost switches so that I could see the wiring better than in the photos above (Bass boost internal view). The treble switch is a C&K 7103 which looks like the other switches you use. The bass switch just has the number T228 printed on it which I couldn't identify. It looks like a fairly standard DPDT good quality switch. I sketched the wiring and I'll try to put that into something I can upload.
 
I've also found that the truss rod on the G side of the neck needed about a half-turn of tightening to bring the neck back to roughly true. I'll leave  it like that for now and see if it wanders any more. I've been trying to fine-tune the intonation, and I'm pretty close. I'm starting to get really happy with this guitar now, although I think I need to get one of these strobe tuners to move up a gear in the precision stakes.  
 
Also, while I'm on the subject of pots, both pots are very slack, by which I mean there is almost no resistance to rotation, and the slightest touch will alter their position. Is there a way to increase the friction on the pots, or am I looking at replacements? I see that the filter pot is double-ganged, so that'll be a bit more fun to de-solder.

David Houck

  • Global Moderator
  • Senior Member
  • ******
  • Posts: 15807
Hoping to bring my distiller back to spec
« Reply #18 on: June 23, 2009, 05:13:56 AM »
Charlie; you may want to try placing a felt pad between the bottom of the knob and the body.

lbpesq

  • club
  • Senior Member
  • *
  • Posts: 10792
Hoping to bring my distiller back to spec
« Reply #19 on: June 23, 2009, 07:14:55 AM »
Charlie:
 
Not Pickles (anymore).
 
Bill, tgo

chalkie

  • club
  • Junior Member
  • *
  • Posts: 27
Hoping to bring my distiller back to spec
« Reply #20 on: June 23, 2009, 07:58:30 AM »
Dave,
I have a bad mind. As soon as I read your answer I thought incontinence pad.  I'm sorry.
 
Bill,
I think we should start a Save the Pickles society. See who gets it.

adriaan

  • Global Moderator
  • Senior Member
  • ******
  • Posts: 4368
Hoping to bring my distiller back to spec
« Reply #21 on: June 23, 2009, 08:02:20 AM »
The problem is of course confounded by the fact that Nine is now Eight.

mica

  • alembic
  • Senior Member
  • *
  • Posts: 10673
Hoping to bring my distiller back to spec
« Reply #22 on: June 23, 2009, 12:41:11 PM »
The early Clarostat pots did not have an internal wave washer, which serves the dual purpose of allowing the use of metal knobs without static, and also increase mechanical friction. I'm afraid that unless you can fine tune the feel with the felt washer as Dave suggested, you're looking at replacements, which may be a bigger job than resoldering if you've currently got 1/8 shaft pots, which is probable.  
 
Try rotating the filter pot back and forth fully through the rotation (reaching both ends each time), a good 30-50 times. The pots are sealed and self-clean, but they need to be exercised to effect the cleaning.  
 
Glad you go to hear what the Q does in the boost position.

dela217

  • club
  • Senior Member
  • *
  • Posts: 1325
Hoping to bring my distiller back to spec
« Reply #23 on: June 23, 2009, 04:14:04 PM »
Bill,
 
Being 50 I still consider the pickle as one.  My son who is 11 fights me about it.
 
Michael

chalkie

  • club
  • Junior Member
  • *
  • Posts: 27
Hoping to bring my distiller back to spec
« Reply #24 on: June 26, 2009, 08:43:55 AM »
OK, here's my first go at the wiring I find for the bass & treble boost switches on my distiller.
 
I believe that the treble boost (7103) is stock, and works correctly so far as I know.  The bass boost switch (T228) is a non-standard DPDT switch in silver.